
|
| MyEDFalcon6 |
|
||
|
Hey guys, anybody able to help me out with a bit of an issue. From what I understand, the EL ECU I have for my BBM conversion, the thermo fan wiring diagram shows that it is 12v fans off, 0v fans on. Now, heres the question. The Davies Craig switch obviously works the opposite way, and there starts my issue. What I need to know, is firstly am I wrong and misunderstood wiring diagram (hopefully) or are there other ways of doing this. Now, again, I may be mistaken, but I think I MAY have heard that there are relays that work the other way around, so the earth switches the relay?? Am I wrong, or did I here correct. Or has anybody done the BBM conversion with thermo fans on an EA EB ED and can shed some light on the way the EL ECU works.
Thanks heaps in advance. Mark. P.S Obviously I have an ED 6 with thermo conversion already done using Davies Craig thermo switch. |
||
| Top | |
||
| stockstandard |
|
|||
|
Relays are only triggered when the circuit is complete, so you can wire them up to switch on when 12V is applies or when connected to earth...
12 on to switch 12V ---> Switch ---> Relay ---> Earth or Earth switched 12V ---> Relay ---> Switch ---> Earth BTW- I havent looked at the wiring diagrams for either, just letting you know how the relays can be wired.
_________________ Stoke me a clipper, I'll be back for Christmas |
|||
| Top | |
|||
| sexyr6 |
|
|||
|
as far as i know the EL ecu uses the temperature switch near the thermostate to determaine the temp and then controls the thermo fan relays...
|
|||
| Top | |
|||
| MyEDFalcon6 |
|
||
|
{USERNAME} wrote: Relays are only triggered when the circuit is complete, so you can wire them up to switch on when 12V is applies or when connected to earth...
12 on to switch 12V ---> Switch ---> Relay ---> Earth or Earth switched 12V ---> Relay ---> Switch ---> Earth BTW- I havent looked at the wiring diagrams for either, just letting you know how the relays can be wired. |
||
| Top | |
||
| MyEDFalcon6 |
|
||
|
This is how my fans are wired up? |
||
| Top | |
||
| gogetta |
|
|||
|
ditch the davis craig switch and then just use the relays from the EL and wire it up as per factory...
_________________ |
|||
| Top | |
|||
| gogetta |
|
|||
|
or if your a tightass then use a bosch 5 pin relay...very very common...
wire pin 85 to the ecu signal 86 to earth pin 30 is 12v B+ pin 87a will be 12v when relay is not switched on (ie 0V from ecu - FANS on) - connect this to fans pin 87 will be 12v when relay is switched on (in your case dont connect this to anything.....this is the normal output on)
_________________ |
|||
| Top | |
|||
| MyEDFalcon6 |
|
||
|
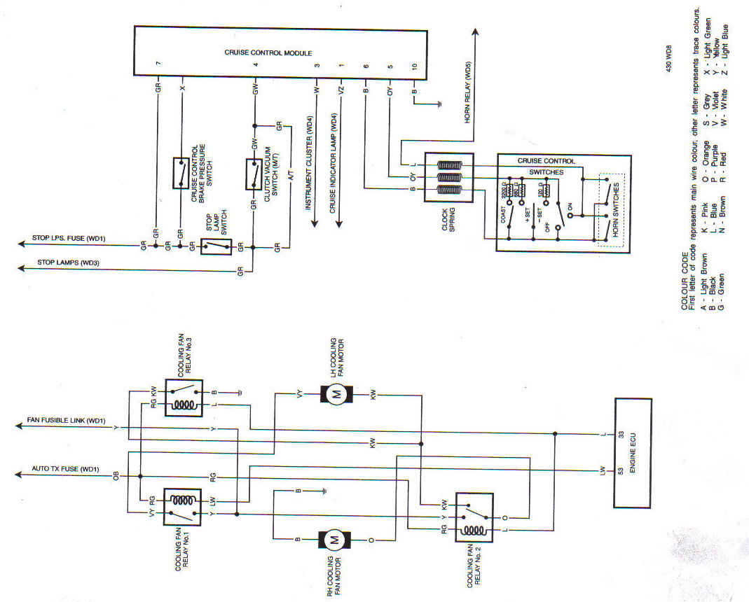
Ah ok, well i think I have that sorted, but what output should I use, say for example on the TECH DOCUMENTS EL pinout page, it shows pin 33 fan 1 output, or pin 53 fan 2 output? 33 has one relay, and 53 shows relay 2 and 3?? I'd think maybe pin 33 to trigger my fans as they are currently wired, without having to redo it (or wanting to for that matter!)
|
||
| Top | |
||
| gogetta |
|
|||
|
i always wondered why there were so many relays for the fans (4 in total).....
also have no idea why there are 2 outputs on the ecu....guess you could use just one and wire it to your existing setup with 1 relay and see what happens..
_________________ |
|||
| Top | |
|||
| benno's ed |
|
|||
|
||||
| Top | |
|||
| arm79 |
|
|||
|
{USERNAME} wrote: i always wondered why there were so many relays for the fans (4 in total).....
also have no idea why there are 2 outputs on the ecu....guess you could use just one and wire it to your existing setup with 1 relay and see what happens.. There are 4 relays in an EF and 3 in an EL. Number of relays are related to the number of speeds that the fans can run. |
|||
| Top | |
|||
| MyEDFalcon6 |
|
||
|
{USERNAME} wrote: {USERNAME} wrote: i always wondered why there were so many relays for the fans (4 in total)..... also have no idea why there are 2 outputs on the ecu....guess you could use just one and wire it to your existing setup with 1 relay and see what happens.. There are 4 relays in an EF and 3 in an EL. Number of relays are related to the number of speeds that the fans can run. Oh ok, so should I use pin 33 or 53? I would think 33, but I could be wrong. |
||
| Top | |
||
| arm79 |
|
|||
|
{USERNAME} wrote: {USERNAME} wrote: {USERNAME} wrote: i always wondered why there were so many relays for the fans (4 in total)..... also have no idea why there are 2 outputs on the ecu....guess you could use just one and wire it to your existing setup with 1 relay and see what happens.. There are 4 relays in an EF and 3 in an EL. Number of relays are related to the number of speeds that the fans can run. Oh ok, so should I use pin 33 or 53? I would think 33, but I could be wrong. Pin 33 normally gets the fans to turn onto high speed. But as has been suggested, why don't you get hold of the EL fan relay block and run the 2 wires from the ECU. You will get proper graduated temperature control of the engine, which can only be better for it. |
|||
| Top | |
|||
| MyEDFalcon6 |
|
||
|
This is what I propose to do. Do you think this is right?
|
||
| Top | |
||
| huggiebear |
|
|||
|
yeah that looks right. the computer will still work without the thermo fans wont they?
|
|||
| Top | |
|||
| Who is online |
|---|
Users browsing this forum: No registered users and 62 guests |