
|
| Ferrett |
|
|||
|
Can anyone tell me the measurements or a sketch from a manual so I can park my car against my shed and check the alignment of my headlights on the door?
Oh its an EL Fairmont. Thanks for your help (if you did).
_________________
|
|||
| Top | |
|||
| TwinturboBMX |
|
|||
|
Damn yeah i need to do my low beams and also my high beams, some of the fellas might have noted how high mine point.
_________________ 17" Tezza Steelies, King F**king lows, pedders sports ryders, 2.5" cat back exhaust, pacemaker extractors, T5 manual
|
|||
| Top | |
|||
| cooki_monsta |
|
|||
|
i need to do one of mine 2
_________________ Mods: sprint kit, steeda short shift, svo lip, El handles, El Air intake, au xr wheels, lukey cat back, jbl focal and pioneer sterio <--- Sold |
|||
| Top | |
|||
| MRE-50L |
|
|||
|
is your car lowwerd , if not it should be about 600mm
_________________ Chance Favors The Prepared Mind ! |
|||
| Top | |
|||
| mavs19 |
|
|||
|
||||
| Top | |
|||
| TwinturboBMX |
|
|||
|
Pfff f**k that ford book way. Yeah my car lights up roadsigns that are a good 200M away. And when i have been driving behing people they have asked if i was flashing them.
But i might take it to the local auto electricions or whatever and get them to do it, seeing as i know a fella that works there.
_________________ 17" Tezza Steelies, King F**king lows, pedders sports ryders, 2.5" cat back exhaust, pacemaker extractors, T5 manual
|
|||
| Top | |
|||
| Andrew J |
|
|||
|
or you could find a long straight stretch of road, and adjust them till it works best for you. stuff the book, mine are all done by hand
_________________ The problem with America is stupidity. I'm not saying there should be a capital punishment for stupidity, but why don't we just take the safety labels off of everything and let the problem solve itself?
|
|||
| Top | |
|||
| mavs19 |
|
|||
|
{USERNAME} wrote: Pfff f**k that ford book way. Yeah my car lights up roadsigns that are a good 200M away. And when i have been driving behing people they have asked if i was flashing them.
But i might take it to the local auto electricions or whatever and get them to do it, seeing as i know a fella that works there. You must have some sort of a different setup that can shine 200m away.... What sort of gear do you have on your vehicle?
_________________
|
|||
| Top | |
|||
| dsheps83 |
|
|||
|
{USERNAME} wrote: or you could find a long straight stretch of road, and adjust them till it works best for you. stuff the book, mine are all done by hand
thats what i did on a dark night put the lows on adjust them walk up the road a bit see how the look form front on. then when i got home just evened them up a bit on the wall |
|||
| Top | |
|||
| TwinturboBMX |
|
|||
|
MAVS i have an XR front so its got the projectors. I may have slightly exagerated, but it does light up signs a good 100+M away, they are literally aimed that high.
_________________ 17" Tezza Steelies, King F**king lows, pedders sports ryders, 2.5" cat back exhaust, pacemaker extractors, T5 manual
|
|||
| Top | |
|||
| Ferrett |
|
|||
|
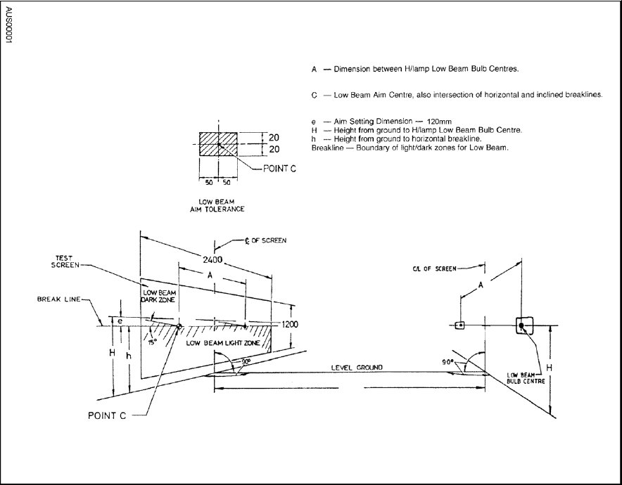
{USERNAME} wrote: The proper way to aim your headlight is with one of these.
![]() Some properly equipped workshop do have these. Otherwise here is what Ford shop manual says: Thanks for the diagram...you're a legend. I will give it a go tonight! I once had my old cruiser lights aligned with one of those things, ended up adjusting them downwards myself as it was no good, and have never trusted them since.
_________________
|
|||
| Top | |
|||
| Davehimself |
|
|||
|
Y don't you park on a nice level ground, about 15Mtrs from a wall at night and then adjust them accordingly?
I must be missing something here as it's not the hardest thing to do???
_________________
|
|||
| Top | |
|||
| Ferrett |
|
|||
|
{USERNAME} wrote: The proper way to aim your headlight is with one of these.
![]() Some properly equipped workshop do have these. Otherwise here is what Ford shop manual says: I printed out that diagram, and there is no horizontal distance! Do you know what it should be?
_________________
|
|||
| Top | |
|||
| mavs19 |
|
|||
|
Here is the text from the page related to the earlier pic from Ford Workshop manual.
The distance is 10m.
_________________
|
|||
| Top | |
|||
| Ferrett |
|
|||
|
Thats Topz and/or Gold
I was wondering how to adjust them too. Little screws huh! Now I just have to make car level in slightly sloped driveway and hang wife's good white sheet on garage to align to (do you think she'd mind if I drew up the alignments in texta or spray paint?)
_________________
|
|||
| Top | |
|||
| Who is online |
|---|
Users browsing this forum: No registered users and 41 guests |