
|
| Lukeyson |
|
|||
|
OK, so Sunload Connector is in XR-with-Audio-Prep Loom but not in XT Loom. Good to know.
There are separate fuses for those two lines in the Mobile Phone connector. It's not a problem with one of these two fuses is it? Otherwise make sure that all those connectors in the back of the fuse box are pushed in right. The other point to check is the clockspring. But I'd be checking the pins on the connector under the steering column to make sure that the appropriate pins go 'closed circuit' correctly when auto lights are selected - that way we eliminate the switch. It's sounding like maybe the Dash Loom itself may have some issues if the mobile phone is problematic too. I was speaking to expression this morning and neither of us can remember if the Auto lights is wires-to-bem-CAN-to-ic or wires-to-ic-CAN-to-bem. The IC seems to have all the testable auto-lights parameters, but you can't test that on a low series cluster. For some reason I thought headlights all wired to the BEM and Indicators wired to the IC. And thank goodness I didn't get the same issue as you on the drivers side actuator! I did mine before I had full diagnostic access at home and that one would have stuffed me good. But if anyone does theirs and has the same issue, I can tell them what commands to issue using a cheap ELM327 scantool to fix it...! (I've found some for $50 on eBay recently - including shipping!) I'll help lookup the wiring loom info tonight if I get the chance. Luke |
|||
| Top | |
|||
| Lukeyson |
|
|||
|
{USERNAME} wrote: ![]() Also, the lack of a clock is already irritating me Someone else has asked this question, and as of about 3 or 4 months ago there wasn't any apparent way of getting an old non-clock DZ ICC to show the clock. But they may have been working on it since then. I'd be interested too. See, I don't have the dash pods, so I got a dash clock. If the answer is a persistent no Re: ICC Clock, then you're only other option may be an FPV ceiling mount clock. Not the cheapest plastic taiwanese LCD clocks I've ever seen....and I still can't get used to having the clock on the ceiling in our Tory ghia. Lukeyson Lukeyson |
|||
| Top | |
|||
| xpression |
|
|||
|
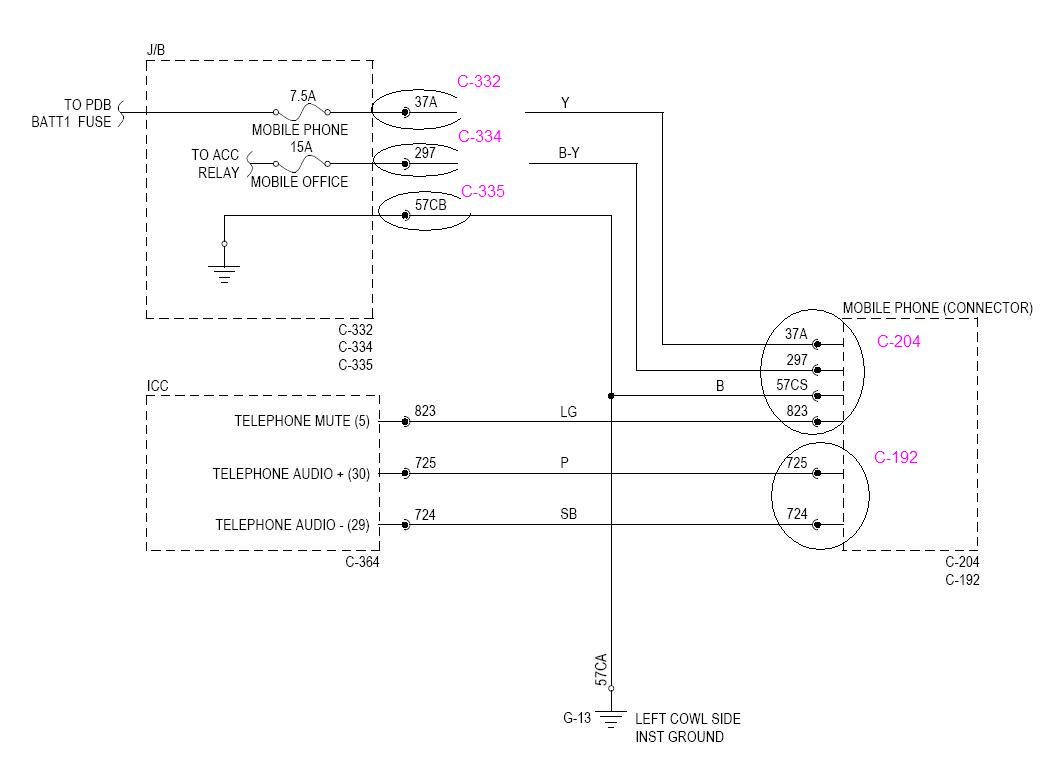
no power at the mobile phone plug thats weird. Maybe the loom has some pins in a different spot somewhere?
|
|||
| Top | |
|||
| data_mine |
|
|||
|
{USERNAME} wrote: If the answer is a persistent no Re: ICC Clock, then you're only other option may be an FPV ceiling mount clock. Not the cheapest plastic taiwanese LCD clocks I've ever seen....and I still can't get used to having the clock on the ceiling in our Tory ghia.
I've gotten used to it to the point when I get into the work BF Futura wagon, the left hand goes for a non-existant starter button, and I look up for a clock. I get asked why I always tap the dash before starting the car lol. As for the windscreen mount clock is the loom for it available in the roof on non FPV/Terry's ?
_________________ 1998 DL LTD in Sparkling Burgundy, daily, 302W, stereo, slow |
|||
| Top | |
|||
| Lukeyson |
|
|||
|
Nope. Just like the auto-dimming mirror - there's a custom loom for them. But you can take power from the overhead lights.
Lukeyson Last edited by Lukeyson on Tue Apr 01, 2008 12:18 pm, edited 1 time in total. |
|||
| Top | |
|||
| Lukeyson |
|
|||||
|
{USERNAME} wrote: no power at the mobile phone plug thats weird. Maybe the loom has some pins in a different spot somewhere?
I wouldn't think so. Remember, I have a BF Fairlane loom under my dash, and there was no real difference. This loom even had the 'fix' for the low-volume Sat Nav issue - which means there's a mono-preamp stuck to the back of the Fuse Box - and I just hooked up a Bluetooth Kit to my car 2 weeks ago. Mind you, my reverse camera video converter has been taking power from the Mobile Phone connector Acc line since it was installed a few years ago - and worked just fine on both the BA XR+Audio Prep and BF Fairlane+Audio Prep+SatNav looms. The Phone-Audio-Input line goes to the ICC. But of the 4-pin power socket, the 2 x Power and 1 x GND lines travel only a short distance to the Fuse Box, and the Mute line goes to the ICC. Lukeyson
Last edited by Lukeyson on Mon Mar 31, 2008 8:03 pm, edited 1 time in total. |
|||||
| Top | |
|||||
| Lukeyson |
|
|||||
|
Autolights.
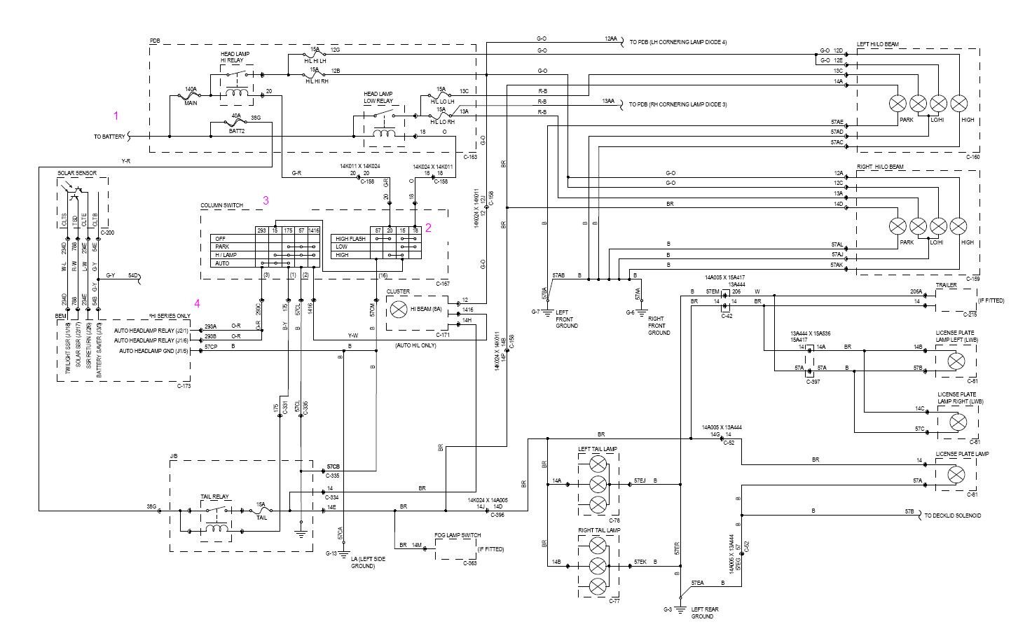
So what appears to happen is: (1) Power is supplied from battery (2) Stalk is at Permanent Low (could be permanent high or flash high. Flash High has it's own earth. Permanent settings depend on rotary dial setting) (3) Rotary Dial - either earth the light settings for parkers/headlights, or pass headlight earth through to BEM controlled GND (4) BEM controls the Earth by using the auto on/off settings. This is all the low-power side of the low/high headlight relays and the tail relay. HOWEVER, there's also a line (1416) that appears to run from the switch to the Cluster - which would most likely be the line that tells the cluster whether auto-lights are on or not - so the IC stops b**ch if the lights are left on when ign is off (which my low cluster does annoyingly.) So it now appears wired to BOTH the BEM and the IC. Lukeyson
|
|||||
| Top | |
|||||
| fnp |
|
|||
Age: 40 Posts: 4401 Joined: 25th Mar 2005 Ride: BA XT, BA XR6T, ED Ghia 5.0 Location: Perth |
Some good interesting info there lukey. I seem to remember somewhere someone mentioning (vague I know) that the premium XR ICC can indeed display a clock, but its not a WDS option, and only ASL can enable it. I'm not sure what I'll do with my ICC and dodgy CD player yet but if I do end up sorting something out with ASL I'll definately be looking into this option. I don't really want the FPV roof clock as I think it looks like a cheap piece of tat
_________________ What's the difference between a Holden and a sheep? It's less embarrasing getting out of the back of a sheep.. |
|||
| Top | |
|||
| Lukeyson |
|
|||
|
Enabling clock and clock overlay (when using Video) are options on the Premium ICC yes. I've come across some bit values via OBD2 that I can turn on and off. I haven't found these values in the IDS though. So this might be what you're talking about.
I've tried setting the same value on a DZ ICC without success though. This is the holy grail at the moment - there was lots of discussion about it on AFF, and there was a picture somwhere. I'll see if i can dig it up. Lukeyson |
|||
| Top | |
|||
| Lukeyson |
|
|||||
|
Found one at last.
From here: http://www.fordforums.com.au/showthread.php?t=11192720 Lukeyson
|
|||||
| Top | |
|||||
| xpression |
|
|||
|
||||
| Top | |
|||
| Lukeyson |
|
|||
|
{USERNAME} wrote: Some good interesting info there lukey. I seem to remember somewhere someone mentioning (vague I know) that the premium XR ICC can indeed display a clock, but its not a WDS option, and only ASL can enable it. I'm not sure what I'll do with my ICC and dodgy CD player yet but if I do end up sorting something out with ASL I'll definately be looking into this option. I don't really want the FPV roof clock as I think it looks like a cheap piece of tat
Well mate, if you do get a new or replacement CD player, I might have some interest in your faulty unit.... Lukeyson |
|||
| Top | |
|||
| data_mine |
|
|||
|
{USERNAME} wrote:
Clock looks very out of place there. I thought it was in the top right corner (above the A/C Off nessage in that pic). Where it is however, there's enough room to split the trip computer 'box' and make a another one for the clock.
_________________ 1998 DL LTD in Sparkling Burgundy, daily, 302W, stereo, slow |
|||
| Top | |
|||
| roobin |
|
|||
|
{USERNAME} wrote: Hmm.
OK, learning more. The BEM/ICC swapout isn't a swap-and-go option. The BEM controls the Transceiver Lock Assembly and the Remote Keyfob receiver (The IR port above the screen) which implies that the BEM is keyed to your keys and remote keyfob.......which would require a WDS to reprogram. Also, the PCM sends a 'challenge' to the BEM, which must respond with the correct values, or the car won't start. So a BEM replacement effectively immobilises your car in more ways than just one! A WDS tool, once again, is required to fix this. The combined Sun Load/twilight sensor doesn't appear to be fitted to non ACC cars, so I'll have to find one of those. I'll be confirming this with a friend who has a MCC BF XR6T with auto-lights-off so has the Sun Load/Twilight Sensor. Also, it now looks like the PCM has to be reprogrammed too, to send the 'engine coolant' and 'cylinder count' parameters to the HIM. I can see that the instrument cluster is also on the CAN and is responsible for sending stuff to the ICC - like the Traction Control light and the ODO. Hey, that's way cool! The implication, however, is that I'm not sure if the Cluster has to be reprogrammed or is that data is coming across the CAN anyway. The BEM also controls the auto-lights-on and the seat-memory, so with a a BEM/H (Hi spec BEM) these things could potentially be fitted as well - although you'd need an auto-lights-on switch on your indicator stalk, and the appropriate seats/switches to drive memory seats...... Lukeyson When Ford intergrate it they do a good job.
_________________ Roobin |
|||
| Top | |
|||
| kjoy064 |
|
||
|
Hey FNP, what was your spec before the ACC? XR and Premo or XT Povo.. for the sunload sensor
Cheers Mine is MK1 BA XR Premo |
||
| Top | |
||
| Who is online |
|---|
Users browsing this forum: No registered users and 33 guests |