
|
| euphi223 |
|
||||
|
Hi people
Im wanting to install factory premium sound in a standard car. ive got the sub & ground connected but dunno where the others go. Ive got the diagrams but cant make alot of sense of them. Appreciate any help getting amp working
|
||||
| Top | |
||||
| Mad2 |
|
|||
|
{USERNAME} wrote: Hi people Im wanting to install factory premium sound in a standard car. ive got the sub & ground connected but dunno where the others go. Ive got the diagrams but cant make alot of sense of them. Appreciate any help getting amp working to use the premium sound correctly you will also need the wiring from the ICC connector in the dash to the connector in the 'A' pillar, then from the 'A pillar connector to the boot. when i fitted the premium sound ICC to mine [BA futura] it came up with a code for the missing sub. had a look at a dash loom here & i'm presuming that mine won't have the wiring needed, so it looks like i'm gunna have to wait till i fit the BA Fairlane looms to my wagooon to have the working sub |
|||
| Top | |
|||
| euphi223 |
|
||
|
|||
| Top | |
||
| euphi223 |
|
||
|
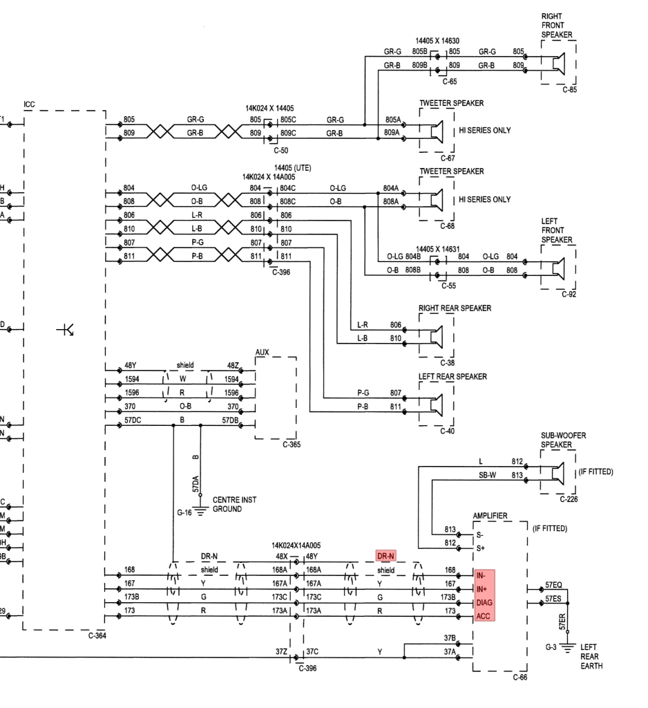
I found out where the remaining wires go into the ICC. Ive put a diagram for anyone doing a similar install.
I still dont get the "DR-N" {DESCRIPTION} |
||
| Top | |
||
| Mad2 |
|
|||
|
{USERNAME} wrote: I still dont get the "DR-N" not really sure .. but i think it's referring to it being the 'shield' wire or type?. some of the higher class looms have shielded wiring to the ICC dash plug. as too Diag ?. i know on mine it throws a code up coz the amp is not there, may be a diagnostic wire maybe?. IN+/- refers to input polarity. and i presume ACC refers to accessory?. |
|||
| Top | |
|||
| euphi223 |
|
||
|
{USERNAME} wrote: {USERNAME} wrote: I still dont get the "DR-N" not really sure .. but i think it's referring to it being the 'shield' wire or type?. some of the higher class looms have shielded wiring to the ICC dash plug. as too Diag ?. i know on mine it throws a code up coz the amp is not there, may be a diagnostic wire maybe?. IN+/- refers to input polarity. and i presume ACC refers to accessory?. Cheers. Im thinking the same untill someone can tell me otherwise what DR-N is. Im not too sure on "DIAG" either. I know where they need to be connected to, so hopefully thats enough for now. Have you used FORscan to fix your display code msg's? That program is a life saver! Love it |
||
| Top | |
||
| Mad2 |
|
|||
|
{USERNAME} wrote: Cheers. Im thinking the same untill someone can tell me otherwise what DR-N is. Im not too sure on "DIAG" either. I know where they need to be connected to, so hopefully thats enough for now. Have you used FORscan to fix your display code msg's? That program is a life saver! Love it hopefully all goes well then for you re Forscan - nah as there is not much point if the wiring etc is not there & won't be there till i fit my BAFLR6 wiring looms & parts [combination of BA Futura/BA Fairylane/BF Fairmont/Fairylane/SX/SY/FG/SZ]. and yep love Forscan too ... it's blooody awesome! Cheers |
|||
| Top | |
|||
| euphi223 |
|
||
|
A happy update on the whole 'lets put premium sound in a "low model" car'
do doubt finding and fricken around with wires and 230 degree irons anit everones cuppa tea...ive achieved a small bit! THE FRICKEN TWEETERS are in!! ive been following the correct diagram, thankfully. Some video on youtube has a guy following twisted pink wires behind glove box. So glad i took my time and checked EVERY twisted wire then referred back to the map. Even though ive got a BA (2004) futura, the BF wiring diagrams were spot on! The Tweeters tap straight into the door speaker wires directly behind the kick panels in the biggest vertical loom. Pass side is twisted orange, Drv side is twisted grey. Im most likely setting myself up for a big fall, tomorrow is the AMP....ive got my doubts here are the tweeters in the A-pillar i just knocked-off (or on...?) {DESCRIPTION} {DESCRIPTION} |
||
| Top | |
||
| Mad2 |
|
|||
|
{USERNAME} wrote: A happy update on the whole 'lets put premium sound in a "low model" car' do doubt finding and fricken around with wires and 230 degree irons anit everones cuppa tea...ive achieved a small bit! THE FRICKEN TWEETERS are in!! ive been following the correct diagram, thankfully. Some video on youtube has a guy following twisted pink wires behind glove box. So glad i took my time and checked EVERY twisted wire then referred back to the map. Even though ive got a BA (2004) futura, the BF wiring diagrams were spot on! The Tweeters tap straight into the door speaker wires directly behind the kick panels in the biggest vertical loom. Pass side is twisted orange, Drv side is twisted grey. Im most likely setting myself up for a big fall, tomorrow is the AMP....ive got my doubts here are the tweeters in the A-pillar i just knocked-off (or on...?) {DESCRIPTION} {DESCRIPTION} easy part with the tweeters . . . . . slide one end in & rivet other end & their done.... good luck with the amp wiring |
|||
| Top | |
|||
| euphi223 |
|
||
|
Quick question regarding powering the AMP via the fuse box.
Ive extended all the AMP wires from the boot up to dash. The thick black one contains all the wires that'll eventually get plumbed into the ICC, when i can bring myself to pull the ICC back out The yellow wire goes to the fuse box in position 16. How/where do i connect it, ideally without the need for a fuse tap thing. The diagram only says "to BATT 2 fusible link". Also, assuming the yellow is positive (+), are the two GND wires earthed to the boot sufficient? Appreciate the help, couldnt do it otherwise. {DESCRIPTION} {DESCRIPTION} |
||
| Top | |
||
| euphi223 |
|
||
|
{USERNAME} wrote: {USERNAME} wrote: Hi people Im wanting to install factory premium sound in a standard car. ive got the sub & ground connected but dunno where the others go. Ive got the diagrams but cant make alot of sense of them. Appreciate any help getting amp working to use the premium sound correctly you will also need the wiring from the ICC connector in the dash to the connector in the 'A' pillar, then from the 'A pillar connector to the boot. when i fitted the premium sound ICC to mine [BA futura] it came up with a code for the missing sub. had a look at a dash loom here & i'm presuming that mine won't have the wiring needed, so it looks like i'm gunna have to wait till i fit the BA Fairlane looms to my wagooon to have the working sub Im trying to trouble-shoot your issue, for some reason it wont leave my head Basically we're trying to do the same premium sound install on BA futura's, obviously yours is a wagoooooon I recon theres a good chance once i figure the fuse box connections, then youll solve some of your power AMP issues. Have u got factory sub & amp? of course i can get you the diagrams that have been spot-on, surprisingly. Basically every part ive put into my BA are from the same BF XR6 wreck, AMP/sub/tweets. The diagrams have been a god send (the ford god) lemme know if i can help u out |
||
| Top | |
||
| Mad2 |
|
|||
|
{USERNAME} wrote: Im trying to trouble-shoot your issue, for some reason it wont leave my head Basically we're trying to do the same premium sound install on BA futura's, obviously yours is a wagoooooon I recon theres a good chance once i figure the fuse box connections, then youll solve some of your power AMP issues. Have u got factory sub & amp? of course i can get you the diagrams that have been spot-on, surprisingly. Basically every part ive put into my BA are from the same BF XR6 wreck, AMP/sub/tweets. The diagrams have been a god send (the ford god) lemme know if i can help u out Thanks. mine [i believe] doesn't have the needed wiring to/from the ICC nor the wiring for the sub/amp [naturally] but i will be using a BA Fairylane/SY/FG/BA Futura combination that i will need to get my head around . . . . . . . . . eventually where as your going sedan to sedan.... so you can change everything over to the XR with no real problems or hiccups. |
|||
| Top | |
|||
| euphi223 |
|
||
|
Fair enough. I suppose sedan to sedan is easier....easier than Territory/sedan to wagon etc. Come to think of it, where are the AMP & SUB located in a wagon?
Cheers |
||
| Top | |
||
| Mad2 |
|
|||
|
{USERNAME} wrote: Fair enough. I suppose sedan to sedan is easier....easier than Territory/sedan to wagon etc. Come to think of it, where are the AMP & SUB located in a wagon? Cheers which wagooon!? in the falcon wagooon there is none fitted. with the territory ... amp is under the passenger seat & sub is mounted in the right [drivers side] rear inner panel ['boot' area]. cheers |
|||
| Top | |
|||
| euphi223 |
|
||
|
This is off topic but too small to make a new post.
Anyone know what size, what theyre called, the bulb holders are for foot lighting? Id like to put globes in the original spots, bottom of fuse box and bottom of glovebox. Apparently only premium sound cars and XR's originally came with them. {DESCRIPTION} |
||
| Top | |
||
| Who is online |
|---|
Users browsing this forum: No registered users and 34 guests |