
|
| EBGizmo |
|
|||
|
Good stuff! Although unless you cut the ignition wire, you won't be able to get the key reset feature - you have to always press the off button. But you've disabled your steering lock so thats not really needed anymore is it
_________________ EF II Sedan
|
|||
| Top | |
|||
| shannonwulff |
|
|||
|
exactly! im also going to put in a larger cap and make it stop cranking with the outage of the battery light, just for those cold mornings when it sometimes wont start first go.
_________________ When you do things right, people won't be sure you've done anything at all. |
|||
| Top | |
|||
| shannonwulff |
|
|||
|
||||
| Top | |
|||
| braidy |
|
|||
|
I think I have screwed something in my circuit which is causing the circuit to constantly draw power when the car is off. Any ideas anyone?
_________________ RIP Chelsea |
|||
| Top | |
|||
| shannonwulff |
|
|||
|
maybe one of the relays is being held on while the car is off?
_________________ When you do things right, people won't be sure you've done anything at all. |
|||
| Top | |
|||
| braidy |
|
|||
|
{USERNAME} wrote: maybe one of the relays is being held on while the car is off?
That's my guess. But I don't know why. Maybe a f**k diode in the circuit? Any ideas anyone?
_________________ RIP Chelsea |
|||
| Top | |
|||
| EBGizmo |
|
|||
|
PM Sent. Remove the remote start and go back to square one to see where the fault is - car or module.
_________________ EF II Sedan
|
|||
| Top | |
|||
| braidy |
|
|||
|
Been a long time since I visited this thread. Couple of things to add.
Turns out I didn't need the 6v relay at all, I just screwed the circuit because I am a d**k. lol Also, I usually have to try to start the car twice for it to start. Never starts first time when it's cold, starts easy as the second time. I have 2 caps in parallel, does anyone else get this problem? Or have I f**k up again? Cheers.
_________________ RIP Chelsea |
|||
| Top | |
|||
| efgiar |
|
|||||
|
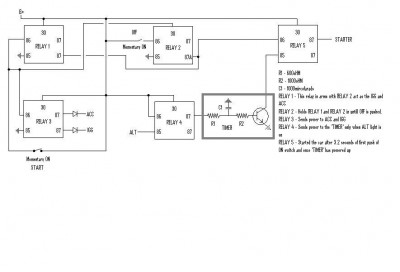
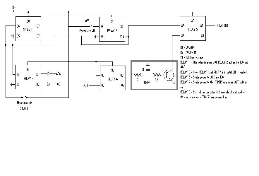
hey guys ive made a little circuit, its similar to the ones put up but it has a timer so the fuel pump has time to prime itself before you crank the actual car, i havnt made this yet but will do very soon and the caps and resistors are based on the maths of r X c = Time. R2 is to stop the cap shorting through the transistor. i have also add in a push button start as someone was asking about it on ffau.
|
|||||
| Top | |
|||||
| braidy |
|
|||
|
{USERNAME} wrote: hey guys ive made a little circuit, its similar to the ones put up but it has a timer so the fuel pump has time to prime itself before you crank the actual car, i havnt made this yet but will do very soon and the caps and resistors are based on the maths of r X c = Time. R2 is to stop the cap shorting through the transistor. i have also add in a push button start as someone was asking about it on ffau.
Hmm. I would like to see this tested to see if it fixes the cold start problem. If it does, I'll integrate it into mine, which is the remote start version of EBGizmo's. Let me know how you go.
_________________ RIP Chelsea |
|||
| Top | |
|||
| efgiar |
|
||
|
sorry i just realised that wont work. and ive physicly tried other ways but cant get the delay on earth... maybe ebgizmo can shed some light on this?
|
||
| Top | |
||
| braidy |
|
|||
|
The easiest way to do it, is to extend the boot button pulse time. f**k if I know how to do that, aside from a timed relay, but I know that's the best way.
_________________ RIP Chelsea |
|||
| Top | |
|||
| smiley235 |
|
|||
|
{USERNAME} wrote: Im assuming you wont stomper, and might have to use the "shock horror" Key!! to open your boot (or the release in the car:P)
My BA doesn't have a key hole on the boot
_________________ 178.3 rwkw
|
|||
| Top | |
|||
| braidy |
|
|||
|
{USERNAME} wrote: {USERNAME} wrote: Im assuming you wont stomper, and might have to use the "shock horror" Key!! to open your boot (or the release in the car:P) My BA doesn't have a key hole on the boot Rewire the boot button. Simple.
_________________ RIP Chelsea |
|||
| Top | |
|||
| efgiar |
|
||
|
no but the main objective is to prime the pump. ive gotta do some searching around for a timer that will switch an earth. theres a few ways to switch a posotive and it can be done with another relay but ill look for an earth one first
|
||
| Top | |
||
| Who is online |
|---|
Users browsing this forum: No registered users and 16 guests |