
|
| EBGizmo |
|
|||||
|
************************ Important Updates ******************
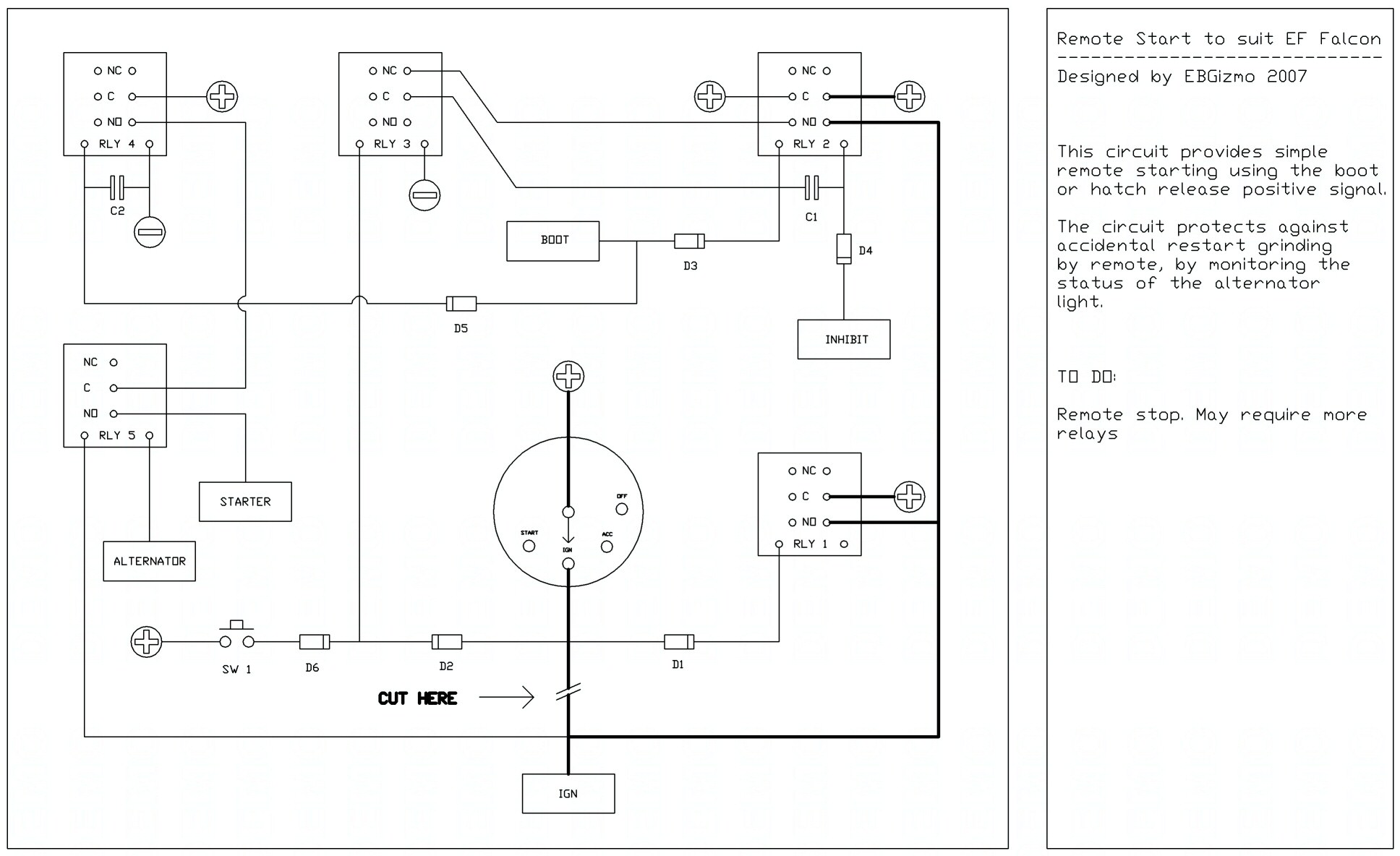
12/04/07 - If you are building this for EA-ED, there may be a problem with the anti grind feature. Relay 5 appears to be too high for these models (a 6V may be required). This is to be confirmed in the next few days 14/04/07 - Braidy has built and confirmed the modified circuit, which he has reported works on his ED. EA-ED owners should replace Relay 5 with a 6V version, such as the Jaycar SY-4058 (Pic below). Good work, Braidy! *********************************************************** I got a PM the other day on how to make a remote start that used the momentary boot release signal from the BEM. I thought I'd do up a tech docco in case anyone else was thinking about building one on the cheap. This design is similar to the one I built for my EB years ago, except it had a two channel dedicated remote to turn it on and off again. Not much else to say about it at the moment as it has not yet been tested on my car, but feel free to have a look and tell me if you can see any errors in the relay logic, or if you want to add any features. This document is considered Beta until it has been built and tested by the person that requested it Check the document, and check your own work! No responsibility taken etc etc. Basic Engine Start Circuit Parts, Connections, Purpose RLY 1 : Ignition Key Replacement (30A minimum) RLY 2 : Remote IGN Latch Activate (30A minimum) RLY 3 : Remote IGN Latch Break RLY 4 : Optional Crank Timer (If Boot signal too short) RLY 5 : Anti restart feature to prevent grinding by remote. INHIBIT : Starter Motor Relay Negative STARTER : Starter Motor Relay Positive ALTERNATOR : Negative from cluster Alternator Fail light. BOOT : BEM Boot release signal Positive C1 : IGN transfer overlap Capacitor (200-500uF 16V) C2 : Optional Crank timer extended pulse time Capacitor (10-1000 uf) D1-D7 : 1N4001 Diodes SW1 : Manual Cut off switches. (Dash, Brake pedal etc) To Do: Work out way to turn off ignition with same button Timer circuit Circuit Behaviour RLY 1 takes the place of the ignition switch, in that it now supplies power to the IGN wire when the key is turned to the IGN position. If positive is supplied to the BOOT wire, RLY 2 will energize, and latch on through the C/NC contacts of RLY 3. The BOOT wire also supplies power to RLY 4 to provide a longer crank time should the default BEM pulse not be sufficient to start the engine. The value of C2 is dependant on how much time is required to crank the car before it starts. Engine cranking will not occur until the Alternator light is lit, which will close RLY 5 and allow the pulse from RLY 4 to be sent to the starter relay. Once the engine is running, RLY 5 turns off and prevents any further button presses from cranking the engine, which prevents restart grinding. Pressing SW1 will activate RLY 3 and break the latch on RLY 2, removing power from the IGN wire and stopping the engine. If the engine was activated by remote, and the key is turned to IGN, this will also break the latch, but the engine will remain on as RLY 1 now takes over in powering the IGN wire. C1 provides a small overlap while the change over occurs, keeping RLY 2 active for a short time while RLY 1 turns on. Diodes D1 to D7 prevent back feed between the control signals. The original IGN wire must be cut at the point indicated so that the circuit can sense when the key is turned, regardless of whether the ignition is on or off. The BOOT wire must be cut at a point after it exits the BEM, before it reaches the boot release switch, or pressing of the dash Boot button will result in the engine starting. Connections The INHIBIT wire coming from D4 on RLY 2 needs to be connected to the negative of the starter motor relay coil – as this releases the latch if the gear selector is moved out of park or neutral. The STARTER wire coming from RLY 5 needs to be connected to the positive of the starter motor relay coil, to provide cranking. The wires marked with a heavier line must be the same or slightly greater than that of the original ignition wire. RLY 1 and RLY 2 must be rated at 30A or more, as they are now responsible for carrying the ignition current that the switch used to. The schematic (Ellery’s) is unclear as to what rating each fuse is, so if you can get your hands on a 60A relay for these two, this would be even better. Only RLY 2 needs to be DPDT, the rest can be SPDT to save money if these can be obtained cheaper. Pay particular attention to the direction the diodes face - the circuit will not work properly if they are inserted incorrectly. Edit: This unit will not function without a smartlock bypass module or similar modification.
_________________ EF II Sedan
Last edited by EBGizmo on Sat Apr 14, 2007 10:24 pm, edited 5 times in total. |
|||||
| Top | |
|||||
| 66 coupe |
|
||
|
There are easier and less complex ways to do it, however you have overlooked the smartlock issue as the ecu will be disabled unless a valid key is in the barrel.
|
||
| Top | |
||
| EBGizmo |
|
|||
|
Nah, haven't overlooked it - the person who wanted it is already working on a bypass, so it was not included, but i'll add that to the docco
_________________ EF II Sedan
|
|||
| Top | |
|||
| shannonwulff |
|
|||
|
hey thanks heaps man! this is awesome, and when i figure out a pulser for smartlock i'll send ya the diagram.
so the engine cranks for the same amount of time as the bootlid holds its click?
_________________ When you do things right, people won't be sure you've done anything at all. |
|||
| Top | |
|||
| shannonwulff |
|
|||
|
just figured the purpose of R4 and C2....awesome.
_________________ When you do things right, people won't be sure you've done anything at all. |
|||
| Top | |
|||
| EBGizmo |
|
|||
|
It will crank for the boot click time plus the time RLY 4 is held in with C2.
If the boot click time is enough, just leave off C2, otherwise step it up starting with about 500uF (depending on the relay you use of course, this will vary)
_________________ EF II Sedan
|
|||
| Top | |
|||
| smiley235 |
|
|||
|
Gizmo, your electronics knowledge astounds me. Would it be ever possible to implement something similar in the BA or would there be a lot more headaches?
_________________ 178.3 rwkw
|
|||
| Top | |
|||
| EBGizmo |
|
|||
|
I don't think it would be very different - apart from bypassing smartshield?
It all comes down to emulating what needs to happen when the key is turned.
_________________ EF II Sedan
|
|||
| Top | |
|||
| 66 coupe |
|
||
|
{USERNAME} wrote: hey thanks heaps man! this is awesome, and when i figure out a pulser for smartlock i'll send ya the diagram.
I've got override modules already... wanna buy one? |
||
| Top | |
||
| shannonwulff |
|
|||
|
not when i can make my own for free;)
_________________ When you do things right, people won't be sure you've done anything at all. |
|||
| Top | |
|||
| gogetta |
|
|||
|
{USERNAME} wrote: not when i can make my own for free;)
shannon how simple are they to make? i was going to give it a try using a pic. do u think that would work?
_________________ |
|||
| Top | |
|||
| shannonwulff |
|
|||
|
yeah thats the idea i have. all you need to do is emulate the signal from BEM to ECU, which is apparently constant. im going to monitor it with a software oscilliscope so find out the frequency and wave type, then pretty much get something going to emulate it.
_________________ When you do things right, people won't be sure you've done anything at all. |
|||
| Top | |
|||
| Rick_Deckard |
|
|||
|
Could whatever I just looked at there, lol, work with a Python security system?
_________________ E39 523i |
|||
| Top | |
|||
| EBGizmo |
|
|||
|
I thought the BEM sent the signal once per ignition cycle then it was no longer required?
_________________ EF II Sedan
|
|||
| Top | |
|||
| shannonwulff |
|
|||
|
ah is that right? well ill find out when i can borrow my mates laptop. either way, the pulse would be emulated in the same way, but maybe a timer could stop it working when it dosent have to.
_________________ When you do things right, people won't be sure you've done anything at all. |
|||
| Top | |
|||
| Who is online |
|---|
Users browsing this forum: No registered users and 18 guests |