
|
| Barnzey |
|
||
|
Can someone please help
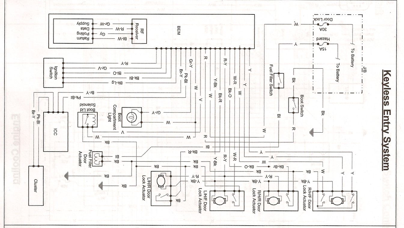
I am looking at installing an auto window closer into my BA Falcon wagon with 4 power window and I am want to know if the BA uses a permanent ground when locking or a pulse ground when locking there is a link to the wiring diagram for the unit so someone can look at it for me http://www.mycyclops.com.au/docs/WIN-00 ... lation.pdf Hope someone can help Thanks
_________________ Fordz Rule |
||
| Top | |
||
| mix-six |
|
||
|
hey mate... shouldn't matter if it has a pulse or permanent ground... find the standard signal wire from your current central locking and wire the the "sensor" wire to it... this will tell the auto winder to turn on and close your windows one at a time... just hard wire the unit in the dash and everything should be sweet... at least thats how i did it in my car
_________________ MIX68U Now living in the ACT! |
||
| Top | |
||
| Barnzey |
|
||
|
Hi
Can some one please let me know which wire to connect to for window closer trigger and if the BA is negative or positive Attachment: and here is the wiring diagram of the window closer Attachment: it would be great if you can help I am tring to work everything out before I buy it Thanks
_________________ Fordz Rule |
||
| Top | |
||
| Who is online |
|---|
Users browsing this forum: No registered users and 18 guests |