
|
| maca_404 |
|
||||
|
Hey
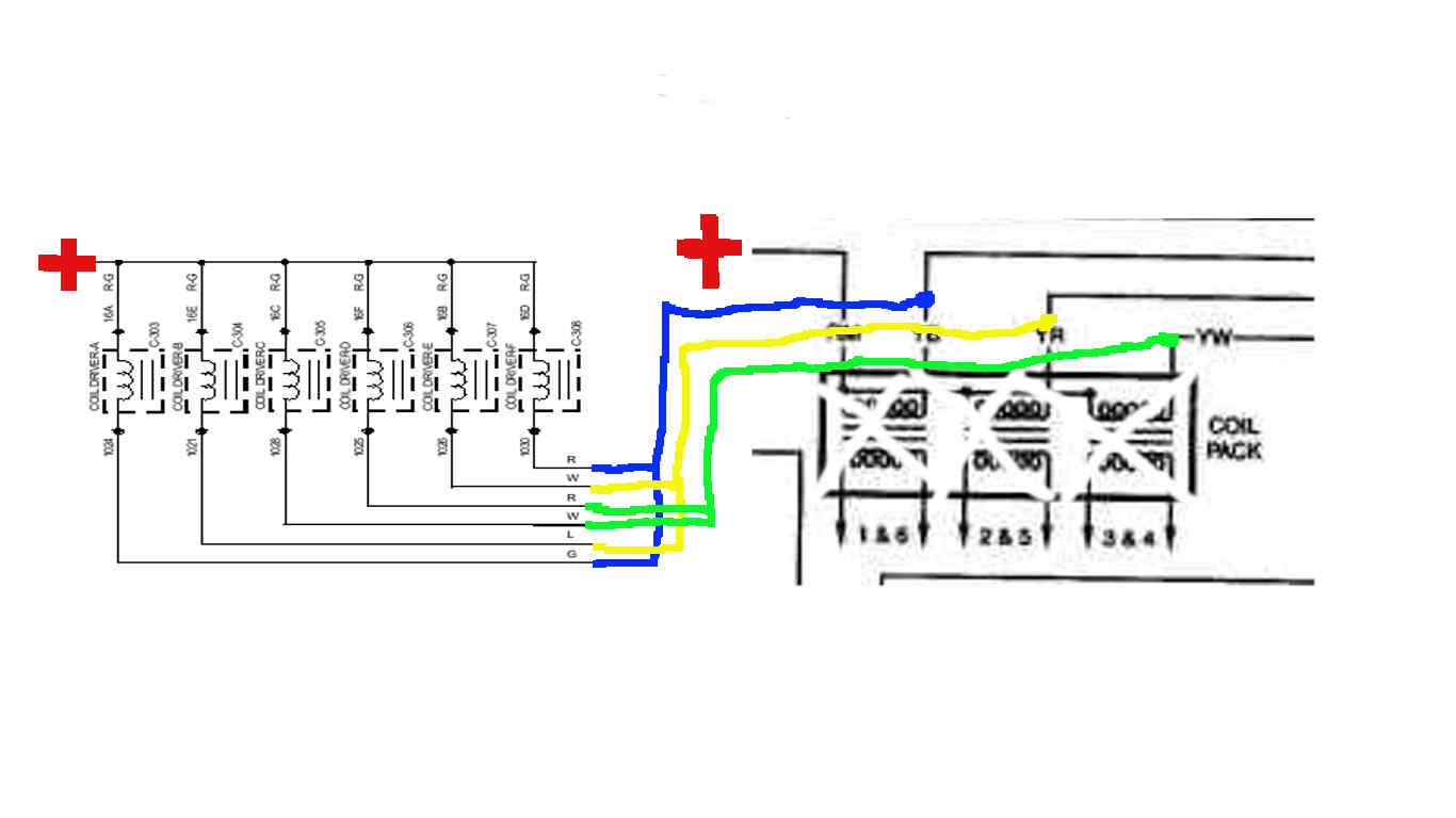
I was musing about putting BA coil packs on my ef, mostly for ease or acess. would allow me to remove leads, and I have some here spare. I got the wiring for the BA and EF and did a mokcup of how I reckon it could be wired, just wondering if you think it would work ? Cheers
|
||||
| Top | |
||||
| cjh |
|
|||
|
Looks like it might work....just make sure you line them up with the right cylinders.....
_________________ http://youtu.be/jJTh9F3Vgg0 |
|||
| Top | |
|||
| Who is online |
|---|
Users browsing this forum: No registered users and 0 guests |