
|
| bondy99 |
|
||
Age: 67 Posts: 1128 Joined: 13th Sep 2010 Ride: Ford Falcon AU 2000 Series II Location: Crestmead |
Hi all,
Just wanted to know if this is normal or not. I have a Ford AUII and had a new thermo-electric fans installed , the other fans had seen better days Is it normal for one for one of the fans to be in continual operation? I was under the assumption they only came on when the engine gets hot and switches off when the engine is cool again. I've been noticing each time I switch the ignition off , the thermoelectric fan goes off (it has its own distinct noise). Thanks. |
||
| Top | |
||
| bondy99 |
|
||
Age: 67 Posts: 1128 Joined: 13th Sep 2010 Ride: Ford Falcon AU 2000 Series II Location: Crestmead |
Bump
|
||
| Top | |
||
| TedW |
|
||
|
should work with engine temp. one fan at lower temp two fans if extra hot (rarely reaches this temp may where you are however)-
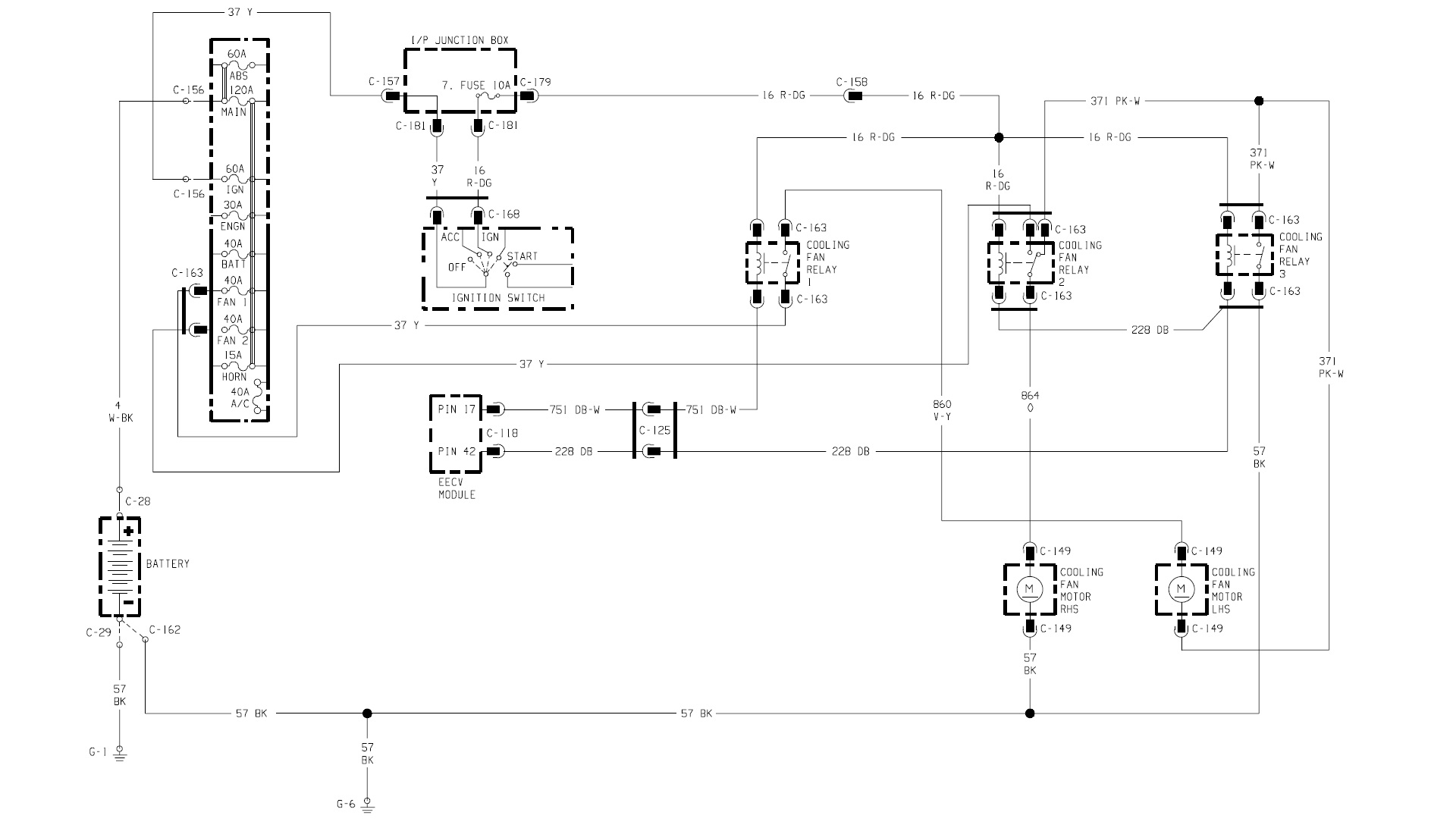
is air cond. on ? will cause fan to run how many fans are running ? if one - left or right side ? -check fan relays in under bonnett fuse box are in correct position ie. fan1(R7) and fan3(R6) relays should be normal relays (terminals marked 85-86-30-87) - fan2(R13)relay should be change over relay (terminals marked 85-86-30-87-87A)......... Attachment: Electrical Wiring au cooling fan.pdf
|
||
| Top | |
||
| bondy99 |
|
||
Age: 67 Posts: 1128 Joined: 13th Sep 2010 Ride: Ford Falcon AU 2000 Series II Location: Crestmead |
TedW,
Thanks for your reply. From my understanding I assumed it suppose to work that way as you said. This time of year my vehicle would not get overly hot, stays well under "N" on the indicator gauge. Aircon is switched off, I do run it once a week for about 5 mins to ensure seals are good. I know its a twin system. I cannot say at this stage which fan is running as I've never checked. All I know is when I switch the engine off I can definitely hear a fan winding down. I'll check next time as to which one is running and double check temp gauge. Will let you know some time tomorrow (Tuesday 15.7.14) as to what I find. Thanks |
||
| Top | |
||
| bondy99 |
|
||
Age: 67 Posts: 1128 Joined: 13th Sep 2010 Ride: Ford Falcon AU 2000 Series II Location: Crestmead |
My apologies,
I did not get around to checking the fan, will do so on Tuesday afternoon. Cheers |
||
| Top | |
||
| bondy99 |
|
||||
Age: 67 Posts: 1128 Joined: 13th Sep 2010 Ride: Ford Falcon AU 2000 Series II Location: Crestmead |
Update,
As mentioned earlier. I don't know whether this is normal or abnormal. I have driven back from Logan Hyperdome and stopped at a Fishos to get some tucker, probably a good 10 - 15 minute stop. Drove home, about 3 or 4 klm, traffic flow was normal..100kph. I took a photo of my vehicle's temperature gauge to show where the red indicator needle is sitting. Popped the bonnet open and yep noticed the passenger side fan was running. Fan stopped running after ignition switch was placed in off position. The question is, should the fan be operating in cooling mode when temp gauge reads below "N". I am not aware if it's adjustable as most things on this AUII is computerised. Cheers, Bondy99
|
||||
| Top | |
||||
| bondy99 |
|
||
Age: 67 Posts: 1128 Joined: 13th Sep 2010 Ride: Ford Falcon AU 2000 Series II Location: Crestmead |
{USERNAME} wrote: should work with engine temp. one fan at lower temp two fans if extra hot (rarely reaches this temp may where you are however)- is air cond. on ? will cause fan to run how many fans are running ? if one - left or right side ? -check fan relays in under bonnett fuse box are in correct position ie. fan1(R7) and fan3(R6) relays should be normal relays (terminals marked 85-86-30-87) - fan2(R13)relay should be change over relay (terminals marked 85-86-30-87-87A)......... Attachment: Electrical Wiring au cooling fan.pdf G'day TedW, Yep, checked that, all seems ok wiring wise |
||
| Top | |
||
| TedW |
|
||
|
From what I can see I would say fans are working as per normal -
fan relays are turned on via ecu which operates according to engine coolant sensor (not temp gauge sender) two circuits one for lower temp(one fan) and one for upper temp readings (two fans)- fan can also turn on after heat soak if you have been driving then turn off for awhile then recommence driving -settings are fixed by sensor and ECU -scan for codes would be next thing to check, possibly check live data for temp reading - requires scan tool.......................... is fan off at cold start ? is thermostat working correctly ? ignition on -when fan runs & check if No 1 relay is on - terminal 85 of relay No1 (holder) should be earth from ECU to turn relay & fan on................should have no earth when cold ............ |
||
| Top | |
||
| bondy99 |
|
||
Age: 67 Posts: 1128 Joined: 13th Sep 2010 Ride: Ford Falcon AU 2000 Series II Location: Crestmead |
I'll have to get back to you on that one. I don't have any testing gear at present.
I sent a pm about Scan Tool Cheers |
||
| Top | |
||
| TimmyA |
|
|||
|
Ted isn't entirely right... One fan never runs by itself... On low speed both fans are in series across 12 volts meaning each only sees 6volts and gives low speed... On high speed both fans are in parallel across 12 volts... Each fan sees 12v and runs at full speed... For one fan to be running one of the relay is stuck on while the others are off...
Similar to Ted's but from the genuine for manual... Attachment: For the RHS only to run flat out Relay 2 is stuck on without relay 1 or 3... For the LHS only to run flat out Relay 1 & 3 are on without relay 2... Relay 1 might be on under normal conditions and 3 may have failed... If being the case then when the car brings on low speed LHS fan would run flat out with nothing from the RHS fan... The car self tests all the relays and fans every time the key is turned on... Maybe it is seeing something failed and running the low speed constantly to avoid an overheat... With no gas in the AC system my AUII system would throw up a fan code... But everything still seemed normal... I have an Autel scan tool which reads the AU falcon (some scan tools wont read an AU)... I'd start by replacing relay 3... Failing that try that relay in number 1's spot... Relay 2 is 5 pin relay... Try one in there... Cheers, Tim
_________________ {DESCRIPTION} |
|||
| Top | |
|||
| bondy99 |
|
||
Age: 67 Posts: 1128 Joined: 13th Sep 2010 Ride: Ford Falcon AU 2000 Series II Location: Crestmead |
Hi Tim,
Thanks for your advice / assistance on my tricky problem. It was not long ago I replaced the two fan assemblies with an Aftermarket type. I changed it over as one of the fans on the old one had a very bad noise...out of curiosity I pulled both fans apart...one of them seemed to be ok...the other one was well and truly stuffed...All three carbon brushes that ran on the commutator was perished as well as the commutator fell apart. I'll definitely be doing that changing the Relay. It is odd to have one fan running i.e. passenger side at low temp as shown previously. I didn't see any flash codes or symbols in the dash to warn me of any problems. I've downloaded ForScan, it has detected my vehicle but I'm not up to speed in getting that to Scan my car for problems. Cheers, Peter |
||
| Top | |
||
| Who is online |
|---|
Users browsing this forum: No registered users and 0 guests |