
|
| frankieh |
|
|||
|
Hi folks,
I was helping someone track down a problem with a BA that won't start. No pats error, car turns over, fuel pump working it just didn't start.. pulled a plug and lots of fuel on it.. so it must be an ignition problem. Put a multimeter on the postive side of the coil on the Red wire with Green trace and only got 5 volts. As a test I fed 12 volts into that green wire and the car started instantly and ran perfectly. This red/green wire must be getting it's feed from a relay or at least a fuse though the ignition circuit, but I've not found the right one.. there are no blown fuses and I swapped all relays with those out of a BA that ran fine. I've looked though the pin outs for the PCM and I see all the negative feeds for the coils, but not the positive. Can anyone offer any suggestions so I might trace this back? regards Frank |
|||
| Top | |
|||
| TedW |
|
||
|
check ignition fuse (No.2) and ignition relay in inside fuse box -
check ignition sw fuse NO.17 in under hood fuse box check connectors beneath air filter box and rear left of engine for poor connections possible ignition switch loose at rear............................ |
||
| Top | |
||
| frankieh |
|
|||
|
{USERNAME} wrote: check ignition fuse (No.2) and ignition relay in inside fuse box - check ignition sw fuse NO.17 in under hood fuse box check connectors beneath air filter box and rear left of engine for poor connections possible ignition switch loose at rear............................ Thanks Mr Ted, I plugged an entire new column in and bypassed the existing one because it had a badly wired turbo timer and looked a mess.. the new column worked fine, but same problem. I also undid and reconnected the 3 PCM plugs and the main engine plug next to it.. didn't pull the ones apart under the airbox but I did bed them back and forth (rubber material) and they seemed firm and if they were the problem the voltage would have gone up or down after being manipulated but it didn't change at all. All the relays in the car I swapped with a running BA's, and the under bonnet relays related to Fuel pump and ECU etc were swapped also as it was a convenient way to check the obvious stuff. The ign sw fuse in the engine bay fuse box cuts power to the ignition completely.. so not that as the engine turns over from the key just fine.. it just has half the voltage on the coil rail positive that it should have. I checked all the fuses in and out with a test light rather than inspection.. none blown that I could fine and none missing. Only thing that makes me suss, is that there is an alpine deck under the ICC and the wiring looks a bit suss.. wondering if they are picking the ignition up from the BCM feed... (why would you when the ciggee lighter plug has ACC power and is right where the stereo now is.) Its baffling.. but I have every wiring hardness for a BA and a BF here now so it's just a matter of assembling one outside a car and using my continuity tester to see where it goes if nobody knows exactly where it's picking up it's ign from. (red/green is a pretty popular colour in these harnesses to denote an ignition feed.) regards Frank |
|||
| Top | |
|||
| Robert_au |
|
|||
|
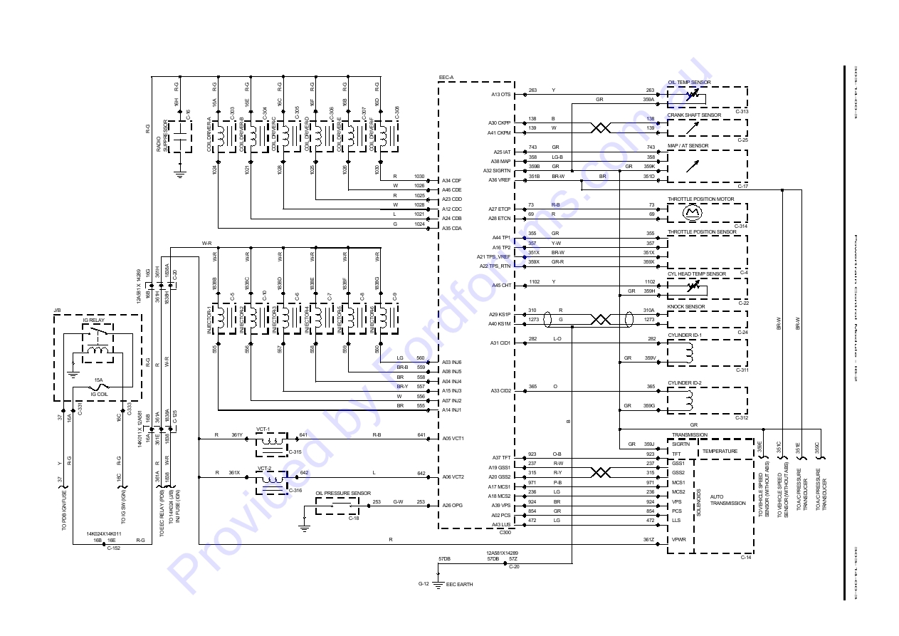
hi frank, found some (And "borrowed") wiring diagrams over at ford forums hope it helps.
Attachment: IGN wiring for Ba Falcon Thanks ford forums
_________________ Current Ride |
|||
| Top | |
|||
| TedW |
|
||
|
power from ignition fuse in under hood fuse box to ignition switch(agree regarding that it cranks) =ign sw fuse 20 amp
power also from under hood fuse box IGN. fuse 60 amp to ign relay contacts ignition switch pulls ignition relay in and feeds power thru No.2 fuse ig.coil (interior fuse box) -(check connections at rear of fuse box) - wiring runs across front of vehicle -then thru one of the connectors under air box -c125- recheck this connection as it was common for it to corrode and overheat -pull apart find red green feeding from ignition in this connection and check voltage-(has 10 or 11 wires in it yellow-white/red -red/blue -red/green etc) then thru connector left rear of engine to coil pack connector...... make sure wiring hasn't been jammed in rocker cover after a repair ? disconnect coil pack and recheck voltage at red/green as it may have been back feed voltage from ecu to coil pack and no voltage at coil at all ? |
||
| Top | |
||
| frankieh |
|
|||
|
Thanks guys! I spent ages on ford forums looking for that schematic.. downloaded the entire BA set And couldn't find that one.
It was 11 at night and really cold when I was diagnosing it so I ran out of patience... now I know where everything goes this should go swimmingly. cheers Frank |
|||
| Top | |
|||
| Robert_au |
|
|||
|
Glad to be of assistance hope you have luck fixing it.
i had to hunt around there a little to find it, I now have a copy to keep on usb Robert
_________________ Current Ride |
|||
| Top | |
|||
| frankieh |
|
|||
|
thanks again guys,
For reasons I can't explain, the problem appeared to be with the fog nights they had plugged in not long ago.. not sure how it caused a big voltage drop at the coils but not everywhere else, but they unplugged the lights and the car started and ran fine. so either the lights were wired wrong internally or the loom was damaged somewhere.. the lights didn't have to be on to cause the issue.. just plugged into the foglight looms. |
|||
| Top | |
|||
| Who is online |
|---|
Users browsing this forum: No registered users and 0 guests |