
|
| Brewy |
|
||
Age: 58 Posts: 7 Joined: 28th Apr 2024 Ride: 2003 Ford Falcon XR6 Turbo Location: VICTORIA POINT |
Hi, I have a 2003 BA XR6 Turbo 5 speed Manual Sedan with 102,000km I’ve owned since brand new, last time I drove it for about an hour with no problems and then it sat for about 6 hours and started it up and ran rough straight away, seem to run on 4 cylinders and had to drive it home like this.
It runs well when started up and after about 4 seconds starts running rough, so found out cylinders 2 and 4 wasnt working, so after checking/swapping around Ignition coils, Spark plugs and Fuel Injectors, 2 and 4 still didnt work, that it seems to be dropping power out of cylinders 2 and 4 on the Injector plug/wiring that then stops those injectors from working.. So, has anyone come across this Electrical loss issue before that’s dropping power to some Injector plugs about 4 seconds after startup and is there some checks and how to see if a Short/Ground/Connection etc Fault is somewhere with these 2 injector plugs/wiring and why would it be just the 2 cylinders affected and only number 2 and 4, these No. 2 and 4 injector wiring must join up somewhere along the line for them to fail at the same time? Thanks. |
||
| Top | |
||
| sizwe |
|
||||
Age: 33 Posts: 7 Joined: 23rd Aug 2024 Ride: Ford Telstar TX5 (AY) Location: Amsterdam, Mpumalanga province |
Hi mate.
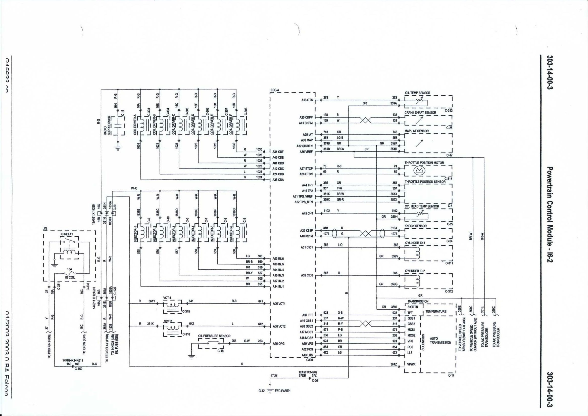
I assume you did a power balance test in order to isolate cylinder 2 and 4 to be culprits. Now, attached is the wiring diagram for the car. First make sure that you have 12volt power to both injector2 and 4. Next, check the other wire of the injector harness that it is not broken or shorted toany other wire. This calls you to disconnect the connector that goes to the ECU and checking likewise. Testing for a short circuit is straight forward; you just want to make sure that the power supply wire is not chaffed and not melted to any other wire. If your wiring side checks out good and your wiring to your ignition coils is good... THEN you are looking at a MECHANICAL issue, be it valves, valve spring, piston or hydraulic lifter/tappet issue. Listen for other engine noises too. Hope it helps. Sizwe
|
||||
| Top | |
||||
| sizwe |
|
||
Age: 33 Posts: 7 Joined: 23rd Aug 2024 Ride: Ford Telstar TX5 (AY) Location: Amsterdam, Mpumalanga province |
One more thing buddy... check the injector if it is not blocked or spraying incorrectly.
Hope it helps Sizwe |
||
| Top | |
||
| Brewy |
|
||
Age: 58 Posts: 7 Joined: 28th Apr 2024 Ride: 2003 Ford Falcon XR6 Turbo Location: VICTORIA POINT |
Hi, Thanks for your info.
I checked fuel injector resistance and all good and then removed all fuel injectors and checked for blockages and all clean and all wiring/plugs from injectors to PCM/ECU all good. So replaced the 3 ignition coils that gave a fault code and still ran rough after 5 seconds after startup. So after about 3 test startups and idle, all of a sudden it wouldnt Start and Code Word on ICC Screen and PCM No Resonce code came up on my Autel Scan Tool, so checked all wiring/plugs all over, so got the PCM/ECU Checked and its Faulty and Unrepairable, so fried by the looks, so looks like the Fuel injector circuits inside PCM failed firstly and then not long after testing the Comms Circuit Failed, so trying to find another PCM/ECU for this car, anyone got one. Thanks |
||
| Top | |
||
| sizwe |
|
||
Age: 33 Posts: 7 Joined: 23rd Aug 2024 Ride: Ford Telstar TX5 (AY) Location: Amsterdam, Mpumalanga province |
Sorry to hear that about your PCM.
What your ICs are doing is that they are overheating and that is why thec car runs rough after a few seconds. Hey mate, could you help me out with this or link me up with someone? post1457152.html#1457152. No one is helping me and I urgently need to sort thus out. I hope it helps Sizwe |
||
| Top | |
||
| Brewy |
|
||
Age: 58 Posts: 7 Joined: 28th Apr 2024 Ride: 2003 Ford Falcon XR6 Turbo Location: VICTORIA POINT |
{USERNAME} wrote: Sorry to hear that about your PCM. Hi, Are you a member of ''Australian Ford Forum'' as someone might know about Telstars, as I havent heard or seen one of those for over 30 years, so might not be many poeple or knowledge around about it.
What your ICs are doing is that they are overheating and that is why thec car runs rough after a few seconds. Hey mate, could you help me out with this or link me up with someone? post1457152.html#1457152. No one is helping me and I urgently need to sort thus out. I hope it helps Sizwe |
||
| Top | |
||
| sizwe |
|
||
Age: 33 Posts: 7 Joined: 23rd Aug 2024 Ride: Ford Telstar TX5 (AY) Location: Amsterdam, Mpumalanga province |
They haven't approved my account for many days now. But I registered again just now.
Thanks man. Wait, did you get another PCM? |
||
| Top | |
||
| Who is online |
|---|
Users browsing this forum: No registered users and 0 guests |