
|
| xr6turnip |
|
||
|
Hi,
I have a XR6T with 300+rwkw. It has a standard intank fuel pump and also Bosch 044 Fuel pump running in series. I do not have a surge tank. The fuel pump has a buzzing sound which isnt the problem... (ive learnt to live with it) But lately its started buzzing and also making a funny surging sound. da....da.....dadada.....da...da....dadada.....da.....da.....dadada as well as buzzing.... Is this normal? Is there a lack of fuel supply? Maybe the fuel pump is working too hard? It only does this at idle... On the road the car runs sweet and there is no funny noise then. Only at idle... Any ideas?
_________________ Gone to a better place |
||
| Top | |
||
| Redford |
|
|||
|
replace the standard pump with the BMS-040
_________________ Speed Safely! |
|||
| Top | |
|||
| our06t |
|
||
|
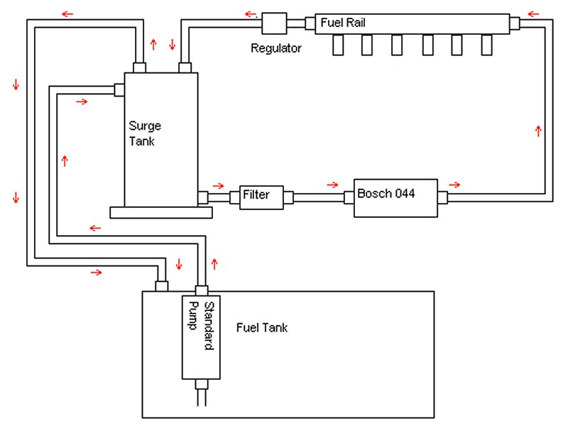
if you get the surge tank it takes the pressure off your stock pump as it only feeds the surge tank and has no pressure regulators to hold it back then the bosch feeds the surge tank to the engine
_________________ BLACKTRACK TUNED TO 308 RWKW |
||
| Top | |
||
| Redford |
|
|||||
|
{USERNAME} wrote: if you get the surge tank it takes the pressure off your stock pump, as it only feeds the surge tank and has no pressure regulators to hold it back then the bosch feeds the surge tank to the engine
capa seem to have no problem producing 300+rwkw with the standard BA-BF pump on their vortech kits but having a high volume 044 in series sucking it could actualy damage the pump (the 044) as its not designed in the same way. you do need to know if it leans out at WOT, especialy with new mods. i posted about this recently; {DESCRIPTION} im using the standard pump and 044 with a surge tank just as a trial but i am also using a numeric digital o2 meter (not wideband), electronic rail pressure guage (& possibly a float & sender for the pot in a few weeks). it would be easier to just to get the 040 but im in no hurry. this is the design i came up with,, i haven't heard of anyone elese using the rail return line to feed the pot so it will be interesting to see how it performs.
_________________ Speed Safely! |
|||||
| Top | |
|||||
| our06t |
|
||
|
|||
| Top | |
||
| Redford |
|
|||
|
{USERNAME} wrote: this is the set up i'm useing to lazy to build my own
nice looking unit and a good idea to mount the surge in the engine bay, but isnt it illegal to have the fuel system up front?
_________________ Speed Safely! |
|||
| Top | |
|||
| Who is online |
|---|
Users browsing this forum: Google Adsense [Bot] and 83 guests |