
|
| TerroristGHIA |
|
|||
|
OK, i am in the process of both a serpentine conversion and a BBM on my ED, and as a result i have acquired an EF cruise module.
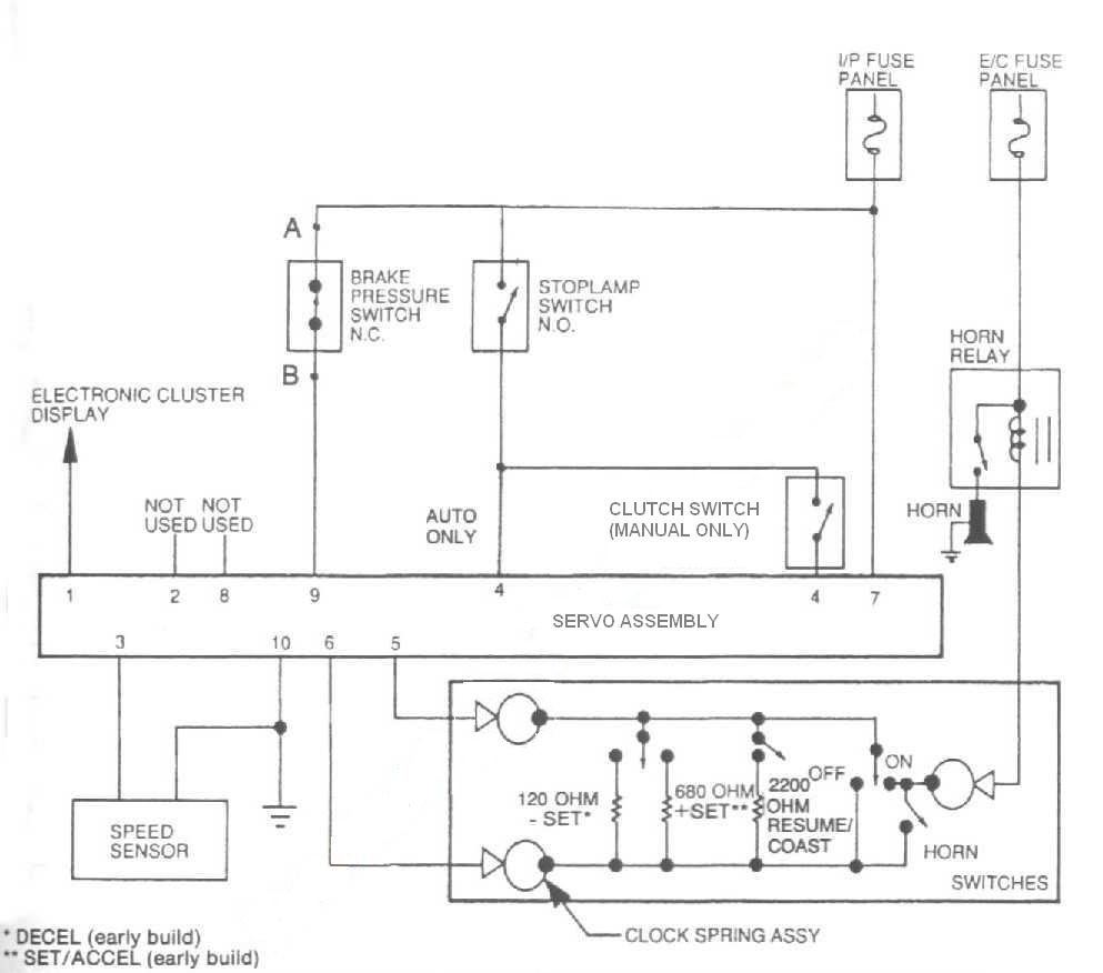
What i am after is what the wires on the plug do. I have the plug, and the wires are coloured as follows from left to right Pin 1 Light Blue/White trace Pin 2 Plugged Pin 3 White Pin 4 Green/White trace pin 5 Orange/Yellow trace Pin 6 Black Pin 7 Green/Red trace Pin 8 Plugged Pin 9 Very Light Green Pin 10 Black If i can find out what each colour does then i hope to have cruise activated electrically as opposed to the ED version which had pumps and hoses and such s**t. Looking for SNAP's input Cheers Brett
_________________ The Terrorist ED Retired due to RUST. Last edited by TerroristGHIA on Tue Apr 13, 2010 3:30 pm, edited 2 times in total. |
|||
| Top | |
|||
| alfy12 |
|
||||||
|
Hopefully this will help.
_________________ NF Fairlane: Non Factory Dual Fuel - New coolant tank, New fuel injectors, New fuel pump, New earth cable, ECU capacitors replaced, New O2 sensor, leads and plugs, New Radiator/Condensor cleaned. 483,000kms. AU I6 Powered. Struts, Shockies, Tie rods and ball joints replaced. |
||||||
| Top | |
||||||
| TerroristGHIA |
|
|||
|
Awesome. Thanks Alfy
Should be able to rig something up now, and will have a decent cruise in the ED. Brett
_________________ The Terrorist ED Retired due to RUST. |
|||
| Top | |
|||
| BenJ |
|
||
|
Brett, I have my pinout diagram that I created when I did this conversion to my car.
I will send it to you from home this afternoon. Don't forget that you also need to change the resistor values for the buttons as they are different in the EF/EL to the ED. The pinout diagram has this info too. Cheers BenJ
_________________ {DESCRIPTION} - Current Ride |
||
| Top | |
||
| TerroristGHIA |
|
|||
|
OK, still on the same conversion, How the hell do you remove the PS Pump connection at the rear of the pump. I have the feed line free and the return line free, but the HP line will not come out of the pump. Do i romove it further down??
Any help appreciated as i have stalled at this pint and cannot move on to other dissassembly Brett
_________________ The Terrorist ED Retired due to RUST. |
|||
| Top | |
|||
| BenJ |
|
||
|
There is a really large nut on the back of the Pwr Steer housing that the HP line swivel point goes into. You need to undo that big nut, and do away with it so the EB HP line can screw in.
Hope that helps. Cheers BenJ
_________________ {DESCRIPTION} - Current Ride |
||
| Top | |
||
| TerroristGHIA |
|
|||
|
Force was my friend. She popped out eventually.
Now. I have read the serp conversion and am wondering, If i go straight to the BBM conversion, do i need to cut and shut the Aircon mounts, or could i just use the EF bracket and thats that. It looks like the serp conversion mods the aircon bracket mounts to clear the TB, if this is the case then i should be able to just bolt the EF bracket up as i am doing the BBM as well. Any thougt/hints/tips Brett
_________________ The Terrorist ED Retired due to RUST. |
|||
| Top | |
|||
| TROYMAN |
|
||
|
{USERNAME} wrote: Force was my friend. She popped out eventually. Now. I have read the serp conversion and am wondering, If i go straight to the BBM conversion, do i need to cut and shut the Aircon mounts, or could i just use the EF bracket and thats that. It looks like the serp conversion mods the aircon bracket mounts to clear the TB, if this is the case then i should be able to just bolt the EF bracket up as i am doing the BBM as well. Any thougt/hints/tips Brett if your doung the bbm now aswell, once you have removed the log manifold just bolt the ef aircon pump straight onto your block using the spacers and bolts that were on the ef engine.. |
||
| Top | |
||
| TerroristGHIA |
|
|||
|
well have just downed tools, Aircon is in, Harmonic balancer is done, alternator is done.
Log is off. I have had a very good look and it appears the only reason to change the waterpump pipe is so it clears the manifold out the side of the thermostat. If this is the case the i will just cut it off and use the front of the EF one from the thermostat and connect with universal hose. Anone see a problem with this Brett
_________________ The Terrorist ED Retired due to RUST. |
|||
| Top | |
|||
| TROYMAN |
|
||
|
the only issue i can see doing it this way is the heat from the exhaust manifold causing the hose to fail early..
if you already got the intake off, i would put the ef pipe on considering the exhaust manifold is easy to remove.. |
||
| Top | |
||
| TerroristGHIA |
|
|||
|
I planned on cuttin it on the inlet side, not the exhaust side. That seems to be the only place the inlet is hitting.
Will think about it and get into it in the morning Brett
_________________ The Terrorist ED Retired due to RUST. |
|||
| Top | |
|||
| TROYMAN |
|
||
|
yea it will work ok..
just use 2 clamps so it dont leak.. |
||
| Top | |
||
| TerroristGHIA |
|
|||
|
OK, back again with more questions.
I have extended my loom where it need to be extended, does the loom sit in the manifold or below it, and lastly how the heel do you but the dipstick back in. Brett
_________________ The Terrorist ED Retired due to RUST. |
|||
| Top | |
|||
| TerroristGHIA |
|
|||||
|
Well i worked out where the dipstick goes, and i have the loom in the correct place now, but whilst removing the loom i brok the wire that runs to what looks like a capacitor, it is under the coil.
What the hell is this thing. Brett
_________________ The Terrorist ED Retired due to RUST. |
|||||
| Top | |
|||||
| TROYMAN |
|
||
|
the dip stick needs to be the ef one...
and the thing that broke of is just a noise surpressor, to help stop ignition noise through the radio.. |
||
| Top | |
||
| Who is online |
|---|
Users browsing this forum: No registered users and 52 guests |