
|
| Lukeyson |
|
|||||
|
I'm about to embark on installing an 'Auto Windows Up' aftermarket kit into my BA.
I purchased a cheap unit off ebay (http://cgi.ebay.com.au/POWER-WINDOW-LIF ... dZViewItem) The intention is to mount in in the Drivers Door and intercept the 4-window button harness and door lock 'indicator' so as to trigger all windows to go up automatically when the doors are locked. With a 6 and 2 year old in the back seat wanting to wind the windows down all the time (and who wouldn't in this country eh?) I'd rather the car did the lifting for me rather then me have to sit and lift them all manually at the end of each trip. Lukeyson
|
|||||
| Top | |
|||||
| fordjared |
|
||
|
looks confusing, haha i remember when i tried to install an aftermarket central locking kit :S what a mission that was
|
||
| Top | |
||
| Lukeyson |
|
|||||
|
Yeah, doesn't help that I'm partially colour blind either, but then that's what a multimeter and test bench is for I guess.
I'm putting the wiring diagram for the unit up here as well for the record. I'll put the Drivers Door plug and harness diagram up here shortly too. Lukeyson
|
|||||
| Top | |
|||||
| Lukeyson |
|
|||
|
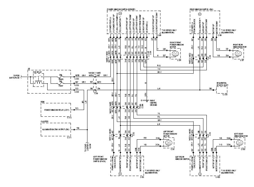
Some diagrams from the BA Workshop Manual..
Last edited by Lukeyson on Sat May 26, 2007 9:04 pm, edited 1 time in total. |
|||
| Top | |
|||
| snap0964 |
|
|||
|
Yeah, I bought a couple of these units for my cars - the seller runs out of an office off Silverwater Rd in Sydney - the office seems to be for smoke alarms/detectors, etc - looked a bit dodgy at first, but the units do work well, so that's all I cared about.
You do need to ensure your motors are lifting okay, and not straining, as they won't fully wind up, otherwise. One thing I did find with them is that they only seemed to work using positive trigger and not negative trigger (which Falcons use). No big deal as you can use a 5 pin relay to rectify this.
_________________ 96 XH Longreach 'S': LPG, Alarm, 3.23:1 LSD, Cruise, Trip Comp, ABS, Power Windows, Mid Series Dome Lt, Climate Ctrl |
|||
| Top | |
|||
| Lukeyson |
|
|||
|
So, from the outset, I'm looking for both the M and F connectors as used on the Drivers Door Power WIndow Switch.
This is so that I can make up a harness, and all I need to do is separate the existing connection to the Module, and plug my harness into the newly exposed ends. No splicing, no dicing. So finding the part is the hard bit. Is this a wrecker-only job, or is there a chance that Aerpro make M-F connectors like C-89? Lukeyson |
|||
| Top | |
|||
| Lukeyson |
|
|||
|
OK, sounds like a no-go. I'll wire in a 15-pin d**k Smith connector and show the pics later.
Lukeyson |
|||
| Top | |
|||
| xpression |
|
|||
|
be careful, as i suspect you will find if u bump the door locked with your arm using this method the windows will go up also. And does the switch have power when the car is locked and turned off? i thought the BEM killed it.
|
|||
| Top | |
|||
| Lukeyson |
|
|||
|
I found an Aerpro connector that is identical to the Male socket on the Drivers Window controller. (What the 'harness' plugs into.)
It is an Aerpro APP060, and was about $15 from Supercheap. So that's part one - the hard bit. The other part - the connector plug identical to the plug on the loom, would probably be a part of a RHS Door Harness. The Harness part number would be BA 14630 C and the price I see is about $70.40, but I'd add 25% to that to be realistic.... So what's an ordinary everyday RHS Door Harness with Power Windows worth from a wreckers? Keep in mind that I'm actually after a RHS Door Harness that supports the Mirror Modulator Controller ( http://www.fordmods.com/forums/viewtopic.php?t=45857 ), so I could probably rip the plug off my old harness .... Lukeyson Last edited by Lukeyson on Mon Jul 09, 2007 9:37 am, edited 1 time in total. |
|||
| Top | |
|||
| Lukeyson |
|
||||||
|
Just FYI and so I have this tracked somewhere:
This is the image from the website of the APP060 Aerpro Mail connector I bought from supercheap. I have since popped out the drivers side switch module, pulled out the harness, and inserted the end of the harness into this plug. It's a perfect fit. EDIT (12/7/07): I just found another version of this that does not have the ISO ends, just the Mail socket. It is AP1782H, and I am adding the picture below.... Lukeyson
Last edited by Lukeyson on Thu Jul 12, 2007 4:58 pm, edited 1 time in total. |
||||||
| Top | |
||||||
| Lukeyson |
|
|||||
|
OK, so I have the connector that will now plug into the Loom to intercept the Window Switch signals - now I need the end that plugs into the Switch itself.
Knowing that the APP060 is the Lexcen/VN/VP harness, I thought I'd look at other harnesses with a simiar application. And I found this one - the Aerpro 711782H. It looks remarkably similar but ultimately it's impossible to tell from an Isometric perspective PR photoshot. But it's worth a try. I'm just in the process of getting my 12V regulated bench power supply built and then I'll be able to do some tests to see how much work is really ahead of me - keeping in mind that lots of people have warned me about the potential complexity of this type of project. EDIT (12/7/07): After adding in the harness-only version in the post above, I've just notcied that both part numbers end in 1782H. So it got ordered today.... Lukeyson
Last edited by Lukeyson on Thu Jul 12, 2007 6:17 pm, edited 1 time in total. |
|||||
| Top | |
|||||
| Lukeyson |
|
|||
|
{USERNAME} wrote: Yeah, I bought a couple of these units for my cars - the seller runs out of an office off Silverwater Rd in Sydney - the office seems to be for smoke alarms/detectors, etc - looked a bit dodgy at first, but the units do work well, so that's all I cared about.
You do need to ensure your motors are lifting okay, and not straining, as they won't fully wind up, otherwise. One thing I did find with them is that they only seemed to work using positive trigger and not negative trigger (which Falcons use). No big deal as you can use a 5 pin relay to rectify this. OK, now this makes sense. The BEM provides a controlled power source for the windows. Pin J2/11 on the BEM drives high when the Power Windows are to be active. This connects into the back of the Fuse Box, which triggers Power Window Relay through two 30A Fuses (Fuse 31 is for the Front Power Windows and Fuse 32 is for the Rear Power Windows.) The Front P/W line is fed direct to both front switches. The Rear P/W Line is fed via the Drivers P/W Childlock Switch, and then to the rear two switches. This provides Power to all switches. The Illumination Line from each switch feeds back to the Drivers Switch. The Drivers Switch is grounded to chassis centre earth. This completes the illumination circuit, and this GND is also used to complete the other circuits. The Drivers Window Child-Lock switch also disconnects earth for illumination so the rear lights go off. So the lines from the Drivers Switch and the other switches are all about switching Ground to the Power Window motors. It's not quite 'negative triggered' to me as I come from a digital signalling world where that means something different - but now I know what you mean by it. I would have used the term 'Ground Switched'. So some notes. (1) I should be able to activate the Power Window 'Power' lines by providing a line-in to the power window relay in the fuse box. This will mean preventing feed-back to the BEM, but nothing a little Zener Diode couldn't fix. HOWEVER, I'd also need to bypass the Child Lock switch for the rear windows and this might be trickier. (2) When rear-switches are used, I can't quite see how to 'close' the circuit. One of the 'front up' or 'front down' lines that come from the front switch must always connect through to GND, or else the switches themselves have local GND. Lukeyson Last edited by Lukeyson on Tue Jul 10, 2007 11:27 pm, edited 2 times in total. |
|||
| Top | |
|||
| ringastinga |
|
||
|
alright guys... this man right here (Lukeyson) is a legend!! not only does he sus out all the mods he wants to do then he does them so proffessionally. any1 wanna look under my dash or console ***SPLICE,DICE,CUT,TWIST*** and then he lets every1 know how he does it definately should be added to the tech docs coz he is always very detailed ect... just too bad he drives a BA, and is no good for me HAHA
|
||
| Top | |
||
| Lukeyson |
|
|||
|
Well, this is a project-in-progress and at the moment I'm still doing research. So now you've bloated my head, it's going to hurt if I find out this can't be done....
Lukeyson |
|||
| Top | |
|||
| Lukeyson |
|
|||
|
This might be of some help.
All switches in their idle positions connect all buttons 'window up' or 'window down' and all motor lines to Earth. When a button is pressed it switches away from Earth and to one of the positive lines. So of the 3 lines that go to each of the 2 x rear and passenger switches, one is always positive (supply) and the other two are connected to Earth. (There are other lines excluded - illumination +ve and the two lines to the window) The supply line for the rear switches is of course the child lock supply which is connected through the drivers switch, and it is this that is switched by the rear switches. So when one of the front buttons is pressed, the line for that particular button appears to be switched to positive, and the circuit completes because the opposite line is already connected to ground. So what this is saying to me is that the circuits are actually positive-switched, and that the GND parts of the system are ALWAYS on GND - meaning it's not Ground Switched at all. Some clarification is needed here. With Positive Switched circuits, the circuit is opened and closed on the Positive side of the load (the load being the power window motor). On GND Switched circuits, the switching happens on the GND side of the load. Easy enough to grasp. So with regard to my lifter kit it now looks like I can just intercept the 'UP' line for all windows. Everything at the moment is pointing to it being that easy, but I'm still not 100% there yet. I've got some in-car experimentation to complete. Lukeyson |
|||
| Top | |
|||
| Who is online |
|---|
Users browsing this forum: No registered users and 37 guests |